銷售熱線:0571-64728335
傳 真:0571-64718798
手 機:13606517133
郵 箱:kinpoint@126.com
網 址:www.chenzejiaju.com
地 址:浙江省杭州建德市新安江
工業園園區中路18號
C300數字式風量風壓儀

用途
C300型數字式風量風壓議主要用于自動檢測、顯示沖天爐(化鐵爐)熔煉過程送風量和風壓兩個主要工藝參數,達到合理控制送風量,使風、焦配合處于合理狀態,從而提高鐵水質量和降低能耗。
本儀器采用單片微機自動進行差壓/風量換算,可直讀風量值和風壓值。
一次測量元件配用環室流量孔板。
本產品采用國家專利技術設計制造,具有高精度、高可靠性、顯示清晰直觀、適應惡劣環境能力強、使用簡便等優點,是先進實用的沖天爐檢測裝置。
本產品適用于各種規格沖天爐的檢測、控制,并可交替檢測兩臺沖天爐,同時也適用其他鼓風燃燒的工業爐窖的檢測、控制。
產品型式和主要技術性能
本產品為智能型檢測儀器。
儀器主要由高精度傳感器、單片微機、放大器、大數碼管、電源等組成。結構為壁掛式,可方便地安裝在現場。
儀器接通電源即能自動顯示、檢測。
主要技術參數
1、檢測范圍
|
風量(M3/min) |
60 |
100 |
150 |
200 |
300 |
|
風壓(Pa) |
25000 |
25000 |
5000 |
5000 |
50000 |
|
適配溶化率t/h |
1~3 |
5 |
7 |
10 |
15~20 |
~220 ±10% 功耗:< 50W
4、使用環境:溫度0~40℃ 濕度:≤ 85%
5、外形尺寸:400X260X100mm
6、儀器重量:6.5Kg
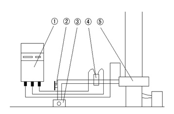
安裝
1、主機安裝
主機安裝位置應符合儀器使用條件,并且便于觀察維護。如安裝在沖天爐附近,則應避免遭受高溫輻射和大面積灰塵污染,安裝方式為壁掛式。若使用環境較惡劣,建議加帶觀察玻璃的箱子,以更好地防塵。
電源插座為三芯插座,必須接地良好。
2、環室流量孔板安裝
見附錄《環室流量孔板的安裝使用》
3、取壓管安裝
壓力取樣口可用外徑Ø10、內徑Ø6的管接頭,安裝(焊接)在風箱頂部,不得漏氣,取樣管接頭必須朝上。
4、氣路聯接
氣路聯接管一般采用內徑Ø8的優質橡膠管(乙炔用管)。當取樣處為熱風時須用紫銅管(內徑 ≥Ø6)。
所配孔板的“△h+”管接頭與儀器“風量+”管接頭對接,“△h-”與“風量-”對接。壓力取樣管與儀器壓力管接頭對接。在孔板管接頭處,取壓管安裝應設置成“∩”型,上端至少高出風接管道中心0.7米。
聯接氣管不得漏氣、差壓正負不得接反。
安裝示意見左圖:
① 儀器 ②閥門 ③風機 ④孔板 ⑤沖天爐

